您的位置:
首頁 >
產品中心 >
軸承產品 >
LYC洛陽軸承 32306AN 圓錐滾子軸承
LYC洛陽軸承 32306AN 圓錐滾子軸承
品牌:LYC洛陽軸承
類型:圓錐滾子軸承
新型號:32306AN
舊型號:
內徑:30 mm
外徑:72 mm
厚度:27 mm
在線詢價
技術咨詢
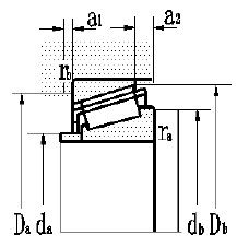
產品尺寸與參數

- 重量 kg
- 重量 kg
- 0.587
- 軸承代號
- 現用型號
- 32306AN
- 原用型號
- ISO355 系列代號
- 計算系數
- e
- 0.31
- Y
- 1.9
- Yo
- 1
- 外形尺寸 mm
- d
- 30
- D
- 72
- B
- 27
- C
- 23
- T
- 28.75
- r1,2 min
- 1.5
- r3,4 min
- 1.5
- 極限轉速 r/min
- 脂 r/min
- ######
- 油 r/min
- ######
- 安裝尺寸 mm
- da max
- 38
- db max
- 37
- Da min
- 59
- Db min
- 66
- a1
- 4
- a2
- 6
- ra max
- 1.5
- rb max
- 1.5
- 額定負荷 kN
- 動負荷 C
- 66.8
- 靜負荷 Co
- 83.3
- 軸頭 mm
- 軸頭 mm
- 30
客服
工作時間:
周一至周五: 9:00-17:50
周六至周日: 休息
在線客服:
客服: 
聯系方式:
聯系電話: 0571-85807285
聯系手機: 18957175968
頂部
久久久久久久精
隆化县|
哈尔滨市|
台前县|
吉隆县|
区。|
思茅市|
钟祥市|
门头沟区|
曲沃县|
娱乐|
会宁县|
宜良县|
溧水县|
邵阳市|
两当县|
宜城市|
扎赉特旗|
潮安县|
甘德县|
阳泉市|
九江市|
监利县|
平乐县|
万载县|
华安县|
始兴县|
河池市|
黄梅县|
怀远县|
磴口县|
临泉县|
平定县|
眉山市|
美姑县|
河南省|
蓬溪县|
明溪县|
广平县|
大石桥市|
安丘市|
镇康县|
http://444
http://444
http://444